BUV-1109 AWWA C504 RUBBER LINED DOUBLE FLANGE BUTTERFLY VALVE
TECHNICAL REQUIREMENT
● Design and Manufacture Conform to AWWA C504
● Flange dimensions Conform to ANSI B16.1 CLASS 125
● Face to Face dimensions Conform to AWWA C504 Short Body
● Testing Conform to AWWA C504
● Driving mode: lever, worm actuator, electric, pneumatic
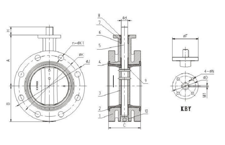
MATERIAL LIST
|
NO. |
Part Name |
Material |
Optional Material |
![]() |
|
1 |
Body |
ASTM A126 CLASS B |
ASTM A536 65-45-12 |
|
|
2 |
Seat |
NBR |
EPDM |
|
|
3 |
Disc |
Plated Ductile Iron |
ASTM A351 CF8/CF8M |
|
|
4 |
Middle Bearing |
F4 |
Bronze |
|
|
5 |
Shaft |
ASTM A276 416 |
316, 17-4PH |
|
|
6 |
Upper Bearing |
F4 |
Bronze |
|
|
7 |
O Ring |
NBR |
EPDM |
|
|
8 |
Retaining Ring |
Carbon Steel |
304 |
|
|
9 |
Pin |
ASTM A276 416 |
316, 17-4PH |
|
|
10 |
Plug |
Malleable Iron |
Carbon Steel |
Dimensions data (mm)
|
Size |
A |
B |
C |
ΦF |
ΦD |
4-ΦN |
Φd |
H |
M1 |
ANSI 150 |
||
|
ΦJ |
Φk |
n-Φk1 |
||||||||||
|
3" |
146 |
89 |
127 |
90 |
70 |
10 |
12.7 |
32 |
3.18 |
191 |
152.5 |
4-19 |
|
4" |
177 |
112 |
127 |
90 |
70 |
10 |
15.9 |
32 |
4.78 |
229 |
190.5 |
8-19 |
|
6" |
203 |
140 |
127 |
90 |
70 |
10 |
25.4 |
32 |
7.94 |
279 |
241.5 |
8-22 |
|
8" |
235.5 |
170 |
152 |
125 |
102 |
12 |
28.6 |
45 |
7.94 |
343 |
298.5 |
8-22 |
|
10" |
267 |
200 |
203 |
125 |
102 |
12 |
34.9 |
45 |
12.7 |
406 |
362 |
12-25 |
|
12" |
312 |
230 |
203 |
150 |
125 |
14 |
38.1 |
45 |
12.7 |
483 |
432 |
12-25 |
|
14" |
343 |
256 |
203 |
150 |
125 |
14 |
44.5 |
45 |
12.7 |
533 |
476 |
12-29 |
|
16" |
372 |
299 |
203 |
210 |
165 |
23 |
50.8 |
50 |
12.7 |
597 |
539.5 |
16-29 |
|
18" |
402 |
327 |
203 |
210 |
165 |
23 |
57.2 |
50 |
15.88 |
635 |
578 |
16-32 |
|
20" |
437 |
352 |
203 |
210 |
165 |
23 |
63.5 |
60 |
15.88 |
699 |
635 |
20-32 |
|
24" |
498.5 |
420 |
203 |
210 |
165 |
23 |
76.2 |
70 |
15.88 |
813 |
749.5 |
20-35 |









