YST-6101 ASTM A126 CLASS B 125LB STRAINER
MATERIAL LIST

|
STANDARD SCREENS |
||
|
Size |
Opening |
Standard: Mesh/Perf |
|
2"-3" |
0. 045" |
3/64" |
|
4—16" |
0. 125" |
1/8" |
|
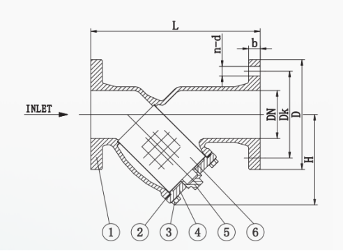
No. |
Part |
Material |
USA Standard |
|
1 |
Body | Cast/Ductile Iron | ASTM A126 CLASS B/A395 |
|
2 |
Body Gasket | Graphite&SS | NON ASBESTOS |
|
3 |
Bolts | Steel | ASTM A307 B |
|
4 |
Cover | Cast/Ductile Iron | ASTM A126 CLASS B/A395 |
|
5 |
Plug | Steel | ASTM A307 B |
|
6 |
Screen | Stainless Steel | ASTM SS304 |
DIMENSIONS IN INCHES AND MILLIMETRES
|
DN |
L |
Dk |
D |
b |
n-d |
H |
|
11/2" |
200 |
98.5 |
127 |
16 |
4-15 |
100 |
|
2" |
225.4 |
121 |
152 |
16 |
4-19 |
161 |
|
2. 5" |
273 |
140 |
178 |
17. 5 |
4-19 |
183 |
|
3" |
292 |
152.5 |
190 |
19 |
4-19 |
219 |
|
4" |
352 |
190.5 |
229 |
24 |
8-19 |
238 |
|
5" |
416 |
216 |
254 |
23.8 |
8-22 |
279 |
|
6" |
470 |
241.3 |
279 |
25.4 |
8-22 |
315 |
|
8" |
543 |
298. 5 |
343 |
28.6 |
8-22 |
400 |
|
10" |
660 |
362 |
406 |
30.2 |
12-25 |
482 |
|
12" |
762 |
432 |
483 |
31.8 |
12-25 |
565 |
|
14" |
949 |
476 |
533 |
35 |
12-29 |
744 |
|
16" |
1079 |
540 |
597 |
36.6 |
16-29 |
846 |
faq
1. How to get an exact quotation?
Answer: Please send us detailed information as below:
-Tricone bits(Diameter, IADC code)
-PDC bits(Matrix or Steel body, blades quantity, cutter size, etc)
-Hole opener(Diameter, size of pilot hole, hardness of rocks, thread connection of your drill pipe, etc.)
-Roller cutters(Diameter of cones, model number, etc.)
-Core barrel(Diameter, quantity of cutters, connection, etc.)
A simple way is sending us photos .
Besides above, if possible please provide more information as below:
Drilling depth in vertical well drilling, Drilling length in HDD, hardness of rocks, Capacity of drill rigs, application(oil/gas well drilling, or water well drilling, or HDD, or foundation).
Incoterm: FOB or CIF or CFR, by plane or ship, port of destination/discharge.
The more information provided, the more exact quotation will be offered.
2. What is the quality control for your products?
Answer: All of our production are in lines of API rules and ISO9001:2015 strictly, from signing contract , to raw materials, to each production processes, to product finish, to after-sale service, each processes and sections are in accordant with standard.
3. About lead time,payment terms, delivery ?
Answer: We always have regular models available in stock, prompt delivery is one of our advantages. Mass production depends on quantity of order.
We accept all regular payment terms including L/C, T/T, etc.
We are near from Beijing airport and Tianjin(Xingang) seaport, transportation from our factory to Beijing or Tianjin only takes one day, fast and very economical inland charges.
4. What is the history of Far Eastern ?
Answer: The drilling bits business was started at year 2003 only for China domestic requirement, the name Far Eastern was started from year 2009, now Far Eastern has exported to more than 35 countries and areas.
5. Do you have Referenced Letters /Recommendation Letters from old customers?
Answer: Yes, we have many referenced letters/recommendation letters issued by old customers who would like to share our stories.








